① 控制回路与负载回路之间光电隔离.
② 可控硅输出,零电流关断,电压过零开启.
③ 使用时需配适当散热器,必要时加强迫风冷.
④ 控制信号与TTL逻辑兼容;可选配安全防护罩.
⑤ 阻燃工程塑料外壳,金属底板.
⑥ 用途广范,可用于阻性感性负载:如白炽灯,调温,工业电炉,烘箱,电机,电气开关柜,自动化控制等设备.
⑦具体参数或使用注意事项,可致电或微信:13636400688加微信时请注明来意,在线QQ:77160609
二. 单相固态继电器产品概述
交流固态继电器是一种无触点通断电子开关,其中两个端子为输入控制端,另外两端为输出受控端,中间采用光电隔离,作为输入输出之间采用光电耦合.在输入端加上直流或脉冲信号,输出端就能从关断状态转变成导通状态(无信号时呈阻断状态),从而控制较大负载.整个器件无可动部件及触点,可实现相当于常用的机械式电磁继电器一样的功能.
由于固态继电器是由固体元件组成的无触点开关元件,所以与电磁继电器相比具有工作可靠、开关速度快、无噪音、寿命长、体积小、无火花、耐蚀防爆抗振等特点.对外界干扰小,能与逻辑电路兼容、抗干扰能力强、开关速度快和使用方便等一系列优点,因而具有很宽的应用领域,有逐步取代传统电磁继电器之势,并可进一步扩展到传统电磁继电器无法应用的计算机等领域,目前已广泛应用于计算机外围接口设备、电炉加热恒温设备;数控机械、遥控系统、工业自动化装置;信号灯、交通灯、照明舞台灯光控制设备;仪器仪表、医疗器械、复印机、彩扩机、橡塑机械、自动洗衣机;另外在化工、煤矿等需防爆、防湿、防腐蚀场合中都有大量使用,已成为继电器家庭(EMR)的理想更新换代产品.
三. 以下是单相固态继电器参数:
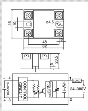
四. 单相固态继电器安装接线图:(单位:mm)
五. 固态继电器产品选用注意事项:
● 选择产品时,应根据负载的性质不同,在电流档次上留有不同的余量.(阻性负载时,可按2倍以上负载电流选取.感性或容性负载时,可按3倍以上负载电流选取).
● 根据负载电流与环境温度的关系,当环境温度较高或散热条件欠佳时.应增加电流容量.为防使用时负载短路,要求在负载回路中串接与本产品相应的快速断路开关或快速熔断器.
● 感性负载时,应在输出端并接压敏电阻,以防过压时损坏晶闸管.压敏电阻(MOV)的选配:240V档时选430-470V,440V档时选680-750V, 660V档时选1100-1200V.
● 安装时,要求散热器与本产品接触面之间必须平整、光洁,并在其表面均匀涂上一层导热硅脂,最后再将套上平垫圈、弹簧垫圈的螺丝对称拧紧固定.
● 当固态继电器首次工作停机后,应趁其尚有余温再紧固一下固定螺钉,以使固态继电器底板和散热器表面能够紧密接触,达到最佳散热效果.
● 不同型号固态继电器其标称电流是在环境温度.