TEL: 021-37528292

三相固态继电器40A

三相固态继电器40A

联系人 : 嵇先生

电话 : 021-37528292

手机 : 13636400688

传真 : 021-37528292

地址 : 上海市奉贤区南桥镇新民港路175-16号


产品详情
一. 本产品特点
 ① 控制回路与负载回路之间光电隔离,三相启动特性一致。
 ② 可控硅输出,零电流关断,电压过零开启。
 ③ 体积小,经济,单列直插式线路板焊接式安装,标准化尺寸。 
 ④ 控制信号与TTL逻辑兼容;
 ⑤ 阻燃工程塑料外壳,
 ⑥ 用途广范,可用于阻性感性负载:如白炽灯,调温,工业电炉,烘箱,电机,电气开关柜,自动化控制等设备
二. 三相固态继电器概述
  交流固态继电器是一种无触点通断电子开关,其中两个端子为输入控制端,另外两端为输出受控端,三相为六端,三进三出,中间采用光电隔离,作为输入输出之间采用光电耦合。在输入端加上直流或脉冲信号,输出端就能从关断状态转变成导通状态(无信号时呈阻断状态),从而控制较大负载。整个器件无可动部件及触点,可实现相当于常用的机械式电磁继电器一样的功能。
  由于固态继电器是由固体元件组成的无触点开关元件,所以与电磁继电器相比具有工作可靠、开关速度快、无噪音、寿命长、体积小、无火花、耐蚀防爆抗振等特点。对外界干扰小,能与逻辑电路兼容、抗干扰能力强、开关速度快和使用方便等一系列优点,因而具有很宽的应用领域,有逐步取代传统电磁继电器之势,并可进一步扩展到传统电磁继电器无法应用的计算机等领域,目前已广泛应用于计算机外围接口设备、电炉加热恒温设备;数控机械、遥控系统、工业自动化装置;信号灯、交通灯、照明舞台灯光控制设备;仪器仪表、医疗器械、复印机、彩扩机、橡塑机械、自动洗衣机;另外在化工、煤矿等需防爆、防湿、防腐蚀场合中都有大量使用,已成为继电器家庭(EMR)的理想更新换代产品。
三. 以下是三相固态继电器参数:
型 号

TSR-10DA-H TSR-15DA-H TSR-25DA-H TSR-40DA-H TSR-60DA-TSR-80DA-H TSR-100DA-H




控制方式3-32VDC(直流)
输入电流大于5mA
工作指示LED
通断时间≤10mS(毫秒)
可靠关断电压小于0.8VDC



输出电压交流24-480VAC
额定工作电流10A.15A.25A.40A.60A.80A.100A
通态压降≤1.5V
最小导通电流50mA
断态漏电流小于10mA



介质耐压2500VAC,1分钟
绝缘电压≥2500V
绝缘电阻≥100MΩ
工作温度—35~75 ℃
电源频率50/60HZ
散热条件/
负载电流安全系数阻性负载取2倍以上,感性负载取3倍以上
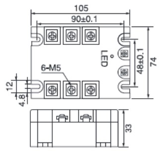
外形尺寸105.0L×74.0W×33.0H
重量350g



四. 三相固态继电器外形尺寸和安装接线图:(单位:mm)

温度曲线图:

五. 固态继电器产品选用注意事项:
 ● 选择产品时,应根据负载的性质不同,在电流档次上留有不同的余量。(阻性负载时,可按2-3倍负载电流选取。感性或容性负载时,可按3-5 倍负载电流选取)。 
 ● 根据负载电流与环境温度的关系,当环境温度较高或散热条件欠佳时。应增加电流容量。为防使用时负载短路,要求在负载回路中串接与本产品相应的快速断路开关或快速熔断器。 
 ● 感性负载时,应在输出端并接压敏电阻,以防过压时损坏晶闸管。压敏电阻(MOV)的选配:240V档时选430-470V,440V档时选680-750V, 660V档时选1100-1200V。 
 ● 安装时,要求散热器与本产品接触面之间必须平整、光洁,并在其表面均匀涂上一层导热硅脂,最后再将套上平垫圈、弹簧垫圈的螺丝对称拧紧固定。
 ● 当固态继电器首次工作停机后,应趁其尚有余温再紧固一下固定螺钉,以使固态继电器底板和散热器表面能够紧密接触,达到最佳散热效果。
 ● 不同型号固态继电器其标称电流是在环境温度为40℃时的标称电流,所以散热要充分!!