TEL: 021-37528292

单相固态调压器

单相固态调压器

联系人 : 嵇先生

电话 : 021-37528292

手机 : 13636400688

传真 : 021-37528292

地址 : 上海市奉贤区南桥镇新民港路175-16号


产品详情
一. 4-20MA固态调压器特点
 ① 它能接受4-20mA输入。
 ② 最大优势:线性好,一致好超过同类产品 
 ③ 可控硅输出,零电流关断,瞬间承受过载能力强。
 ④ 使用时需配适当散热器,必要时加强迫风冷。 
 ⑤ 本产品是将晶闸管主电路和移相触发控制电路封装在一起的多功能功率集成模块
 ⑥ 阻燃工程塑料外壳,送安全盖
 ⑦ 用途广范,可用于阻性感性负载:如吸塑机,白炽灯,调温,工业电炉,烘箱,电气开关柜,自动化控制等设备
 
二. 固态调压器产品概述
  固态调压器是我们公司独立开发的一种新型的集成移相调压式的固态继电器。其具有输入输出光电隔离,移相调压电路与主电路集成于一体,体积小,重量轻,寿命长,控制功率大,无级调节,绝缘电压高等特点。既可方便的利用输入端的电压的变化来实现对输出端负载功率的自动控制,又可采用电位器手动调解输出功率。同时,输入阻抗较高,内部同步,可直接通过数模转换器与计算机、数字程控电路及具有4-20mA电流输出的仪表接口,十分方便的实现了对输出端负载电压功率的无级调节。TRIAC输出的多用于感性负载。可广泛的应用于照明设备的灯光调节,民用工业加热的温度控制以及电动机控速,吸塑机等场合。
三. 以下是固态调压器参数:
型 号

SSR-10WA-L SSR-15WA-L SSR-25W-LA SSR-40WA-L 




控制电流4-20mA (不用外置电源)
LED显示



输出电压交流0-220VAC,交流0-380VAC(可用双火线)
额定工作电流10A.15A.25A.40A.
通态压降≤1.5V
最小导通电流50mA
断态漏电流小于10mA



介质耐压2500VAC,1分钟
绝缘电压≥2500V
绝缘电阻≥100MΩ
工作温度—35~75 ℃
电源频率50/60HZ
散热条件≥10A配散热器,≥25A再加风扇强冷 选用YS-D系列散热器
负载电流安全系数阻性负载取2倍以上,感性负载取3倍以上
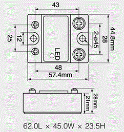
外形尺寸52L×45W×23.0H
重量110g



四. 4-20MA固态调压器接线图:(单位:mm)

温度曲线图:

五. 固态继电器产品选用注意事项:
  ● 选择产品时,应根据负载的性质不同,在电流档次上留有不同的余量。(阻性负载时,可按2-3倍负载电流选取。感性或容性负载时,可按3-5 倍负载电流选取)。 
  ● 根据负载电流与环境温度的关系,当环境温度较高或散热条件欠佳时。应增加电流容量。为防使用时负载短路,要求在负载回路中串接与本产品相应的快速断路开关或快速熔断器。 
  ● 感性负载时,应在输出端并接压敏电阻,以防过压时损坏晶闸管。压敏电阻(MOV)的选配:240V档时选430-470V,440V档时选680-750V, 660V档时选1100-1200V。 
  ● 安装时,要求散热器与本产品接触面之间必须平整、光洁,并在其表面均匀涂上一层导热硅脂,最后再将套上平垫圈、弹簧垫圈的螺丝对称拧紧固定。
  ● 当固态继电器首次工作停机后,应趁其尚有余温再紧固一下固定螺钉,以使固态继电器底板和散热器表面能够紧密接触,达到最佳散热效果。
  ● 不同型号固态继电器其标称电流是在环境温度为40℃时的标称电流,所以散热要充分!!
  ● 注意负载端不要用万用表来叛断产品的好坏!